Açıklama
The pump with multi-vane impeller ensures maximum operating reliability. Quick-release closures enable the integrated components to be removed easily. The components are pre-assembled for final assembly on site. Including openings for inlet, ventilation and cable duct.
Variant
Type of system: duo pump
Backflow preventer: integrated
General characteristics
Standard: EN 12050-2 as well as EN 12050-1 (without ATEX requirements)
Type of wastewater: for wastewater with and without sewage
Installation situation: underground installation
System type: Duo
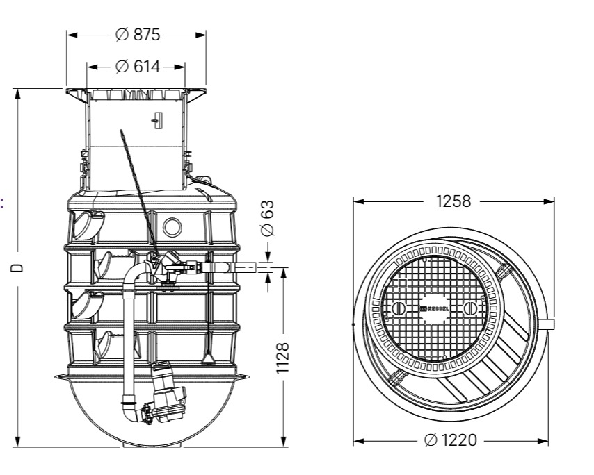
Dimensions
Net weight: 221 kg
Gross weight: 235 kg
Groundwater resistant from lower edge of base section: 2000 mm
Installation depth: 1400 – 1850 mm
Length: 1260 mm
Width: 1220 mm
Packaging dimension: length: 1260 mm
Packaging dimension: width: 1220 mm
Packaging dimension: height: 1850 mm
Tank/drain body
Pressure pipe connection (DN): 50
Pressure pipe connection (OD): 63 mm
Inlet nominal size (OD): 100 mm
Inlet nominal size (DN): 90 mm
Pumping volume: 200 l
Pumping device
Pump: AP 501 230V
Number of pumps: 2
Connection type: Schuko (earthed contact) 2-pin
Operating voltage: 230 V
Rated current: 6 A
Protection class (pump): IP 68
Temperature monitoring: integrated
Max. temperature (permanent) of conveyed material: 40 °C
Max. pumping capacity: 6,3 m³/h
Max. pumping height: 12 m
Speed: 2900 U/min
Power P1: 1,25 kW
Power P2: 0,75 kW
Operating mode: S1
Type of fuse required (electrical protection): C 16 A
Type of pump connection cable: H07RN-F 3G 1.5 mm²
Impeller type: Multi-vane impeller
Length of mains cable for pump: 10 m
Control
Control unit: Comfort
Level measurement instrument: Pressure sensor
Type of level measurement: pneumatic
Protection class control unit: IP 54
Mains frequency: 50 Hz
Operating voltage: 230 V
Connection type: Schuko (earthed contact) 2-pin
Length of mains cable for control unit: 1,45 m
Potential-free contact: optional
Battery buffering: yes
Self-diagnosis system (SDS): yes
Type of fuse required (electrical protection): C 16 A






