Aquapump XL Mono, GTF1400-S1, 400V

Aquapump XL Mono, GTF1400-S1, 400V

The pumping station is equipped with one or two submersible pumps and a backflow preventer. The collection tank made of permanently resistant polymer (PE) has an open pump tank with universal connection options.

*Maximum safety

*Flexible installation

*Also handles large quantities of wastewater

*Item no.  8743047

*Price group     60

Açıklama

Quick-release closures enable the integrated components to be removed easily. The KESSEL modular system provides different engineering chamber options as accessories for the further layout. Stainless steel pump removal chains available as accessory for each installation depth – Article number: 680528 = Length 2 m 680529 = Length 3 m 680530 = Length 4 m 680531 = Length 5 m

 

Variant

Type of system: Single unit

Passage seal for conduit pipe (DN): 63

Passage seal for ventilation pipe (DN): 50

Installation: Wet installation

Backflow preventer: integrated

Pressure pipe connection: horizontal

 

General characteristics

Colour: black

Standard: EN 12050-2 as well as EN 12050-1 (without ATEX requirements)

Type of wastewater: for wastewater with and without sewage

Installation situation: floor slab installation

Delivery state: Pre-mounted for final assembly on site (pumps and sensor system must be fitted on site and control unit must be connected)

System type: Mono

 

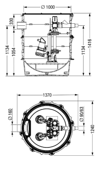
Dimensions

Net weight: 150 kg

Gross weight: 170 kg

Groundwater resistant from lower edge of base section: 3000 mm

Length: 1300 mm

Width: 1300 mm

Height: 1416 mm

 

Tank/drain body

Pressure pipe connection (DN): 80

Pressure pipe connection (OD): 90 mm

Inlet nominal size (OD): 160 mm

Inlet nominal size (DN): 150 mm

Number of inlets: 1

Pumping volume: 350 l

 

Pumping device

Pump: GTF 1400

Number of pumps: 1

Weight, pump: 22 kg

Connection type: Direct connection

Protection class: I

Insulation class: H

Protection class (pump): IP 68 (20m)

Temperature monitoring: integrated

Max. temperature (permanent) of conveyed material: 40 °C

Max. pumping capacity: 31 m³/h

Max. pumping height: 10,5 m

Speed: 2900 U/min

Power P1: 1,5 kW

Power P2: 1,1 kW

Operating mode: S1

Type of pump connection cable: H07RN-F 4G 1.5 mm²  mm²

Impeller type: Multi-vane impeller

Length of mains cable for pump: 10 m

Rated current: 6,5 A

 

Control

Control unit: Comfort

Motor protection switch: yes

Alarm sensor: Level sensor

Level measurement instrument: Level sensor

Type of level measurement: hydrostatic

Protection class control unit: IP 54

Mains frequency: 50 Hz

Operating voltage: 400 V

Connection type: Direct connection

Length of mains cable for control unit: 1,4 m

Potential-free contact: optional

GSM interface: yes

USB interface: yes

Log book function: yes

Multi-line display: yes

Battery buffering: yes

Self-diagnosis system (SDS): yes

Type of fuse required (electrical protection): C 16 A