Açıklama
Variant
Type of system: Single unit
Shut-off valve: Shut-off valve made of cast iron
Backflow preventer: integrated
Pressure pipe connection: vertical
General characteristics
Colour: black
Standard: EN 12050-1
Type of wastewater: with sewage
Installation situation: free-standing installation
System type: Mono
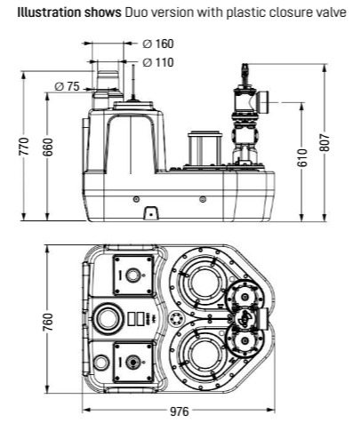
Dimensions
Net weight: 125 kg
Gross weight: 145 kg
Packaging dimension: length: 1650 mm
Packaging dimension: width: 1150 mm
Packaging dimension: height: 890 mm
Tank/drain body
Tank volume: 200 l
Pumping device
Pump: SPF 1500-S3
Number of pumps: 1
Operating mode: S3 – 50 %
Impeller type: Multi-vane impeller
Free passage: 40 mm
Length of mains cable for pump: 5 m
Control
Control unit: Comfort
Level measurement instrument: Immersion pipe
Type of level measurement: pneumatic
Mains frequency: 50 Hz
Operating voltage: 400 V





