Staufix Basic Temizleme Kapağı DN 150

Staufix Basic Temizleme Kapağı DN 150

Ürün Tanımı:

Pis sulu ve pis su içermeyen atık su için temizleme kapağı, atık su borularına denetim ve bakım çalışmaları için kolay erişim sağlar. Modüler KESSEL sistemi sayesinde, mevcut sistemler iki klapeye ve acil durum kapanışına sahip bir Staufix Basic geri akış vanasına kolayca dönüştürülebilir.

*Dönüşüm kitleri kullanılarak kolayca dönüştürülebilir
*Temizlik için hızlı ve aletsiz erişim
*Modernizasyon için idealdir, mevcut borulara sonradan da monte edilebilir
*Ürün Kodu: 70150
*GTIN: 4026092002087
*Fiyat grubu: 10

Açıklama

Genel Özellikler
Renk: siyah
Nominal çap (DN): 150
Dış çap (OD): 160 mm
Atık su türü: pis su içermeyen
Montaj durumu: açıkta döşenmiş atık su borusu
Teslimat durumu: montaja hazır

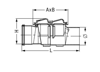
Boyutlar
Net ağırlık: 1,95 kg
Brüt ağırlık: 1,95 kg
Giriş ve çıkış arasındaki düşüş: 9 mm
Uzunluk: 450 mm
Genişlik: 200 mm
Yükseklik: 230 mm
Ambalaj ölçüleri, uzunluk: 450 mm
Ambalaj ölçüleri, genişlik: 210 mm
Ambalaj ölçüleri, yükseklik: 225 mm

Kapak Özellikleri
Kapak kilidi: Hızlı açılır kapak